Händler suchen
Händler werden
Karriere
Forum
Download Center
Gruppen
More
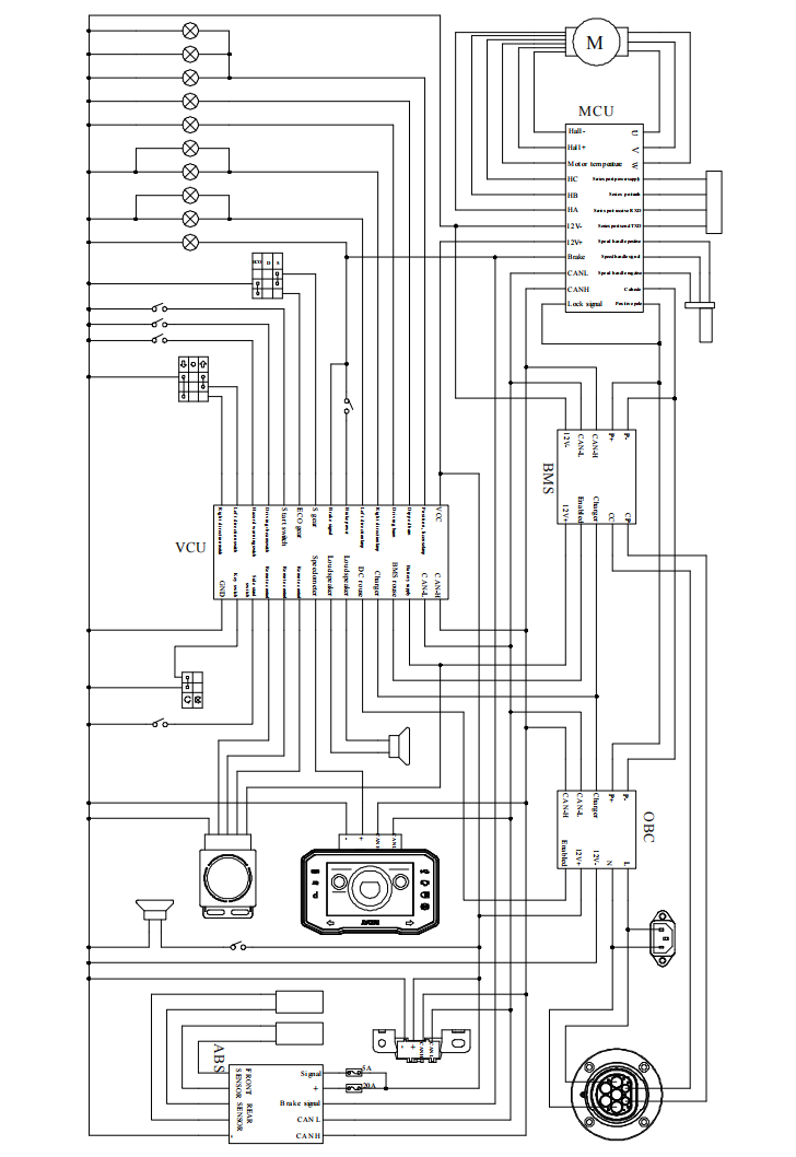
Esum Pro
Bedienungsanleitung (Deutsch) herunterladen
F10
Esum
F8
RS1
Life